
Current Position:home
MS403-2 (cross)
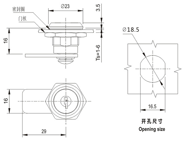
| Material: | zinc alloy housing 、brass cylinder,steel cam and nut. |
| Finish: | bright chrome plated .zinc plated parts. |
| Structure: | 90 °rotation |

prve:
"MS402-2 (cross)"
next:
"GGD-2"
Related Products:











